DIN 65339 Hexagon Bolts Reduced Shank, Close Tolerance, with Short-length MJ Thread, Corrosion-resisting Steel – Nominal Tensile Strength 1100 MPa (2021) defines standard specifies a high-precision hexagon bolt designed for aerospace applications where tight clearances and reliability are critical. These bolts are manufactured from corrosion-resisting steel and feature a close-tolerance shank to ensure a perfect fit in high-vibration environments.
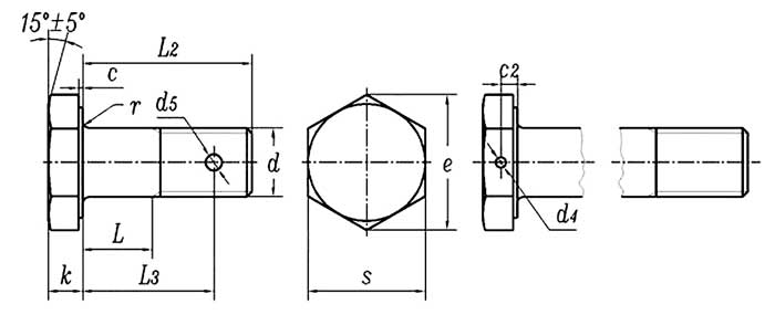
Dimensions of DIN 65339 Hexagon Bolts

| Thread Size (d) | MJ4x0.7 | MJ5x0.8 | MJ6x1 | MJ8x1 | MJ10x1.25 | MJ12x1.25 | MJ14x1.5 | MJ16x1.5 | MJ18x1.5 | MJ20x1.5 | |
|---|---|---|---|---|---|---|---|---|---|---|---|
| Code | 04 | 05 | 06 | 08 | 10 | 12 | 14 | 16 | 18 | 20 | |
| c | max | 0.5 | 0.5 | 0.5 | 0.5 | 0.6 | 0.6 | 0.6 | 0.6 | 0.6 | 0.6 |
| min | 0.2 | 0.2 | 0.2 | 0.2 | 0.3 | 0.3 | 0.3 | 0.3 | 0.3 | 0.3 | |
| c2 | / | 1.35 | 1.6 | 2.1 | 2.35 | 2.85 | 3.35 | 3.85 | 4.35 | 4.85 | |
| d4 | min=nominal size | / | 1 | 1.4 | 1.4 | 1.6 | 1.6 | 1.6 | 1.6 | 1.6 | 1.6 |
| max | / | 1.14 | 1.54 | 1.54 | 1.74 | 1.74 | 1.74 | 1.74 | 1.74 | 1.74 | |
| d5 | min=nominal size | 1.1 | 1.5 | 1.5 | 1.9 | 2.4 | 2.4 | 3 | 3 | 3.8 | 3.8 |
| max | 1.24 | 1.64 | 1.64 | 2.04 | 2.54 | 2.54 | 3.14 | 3.14 | 3.98 | 3.98 | |
| e | min | 7.6 | 8.7 | 10.9 | 14.3 | 18.9 | 21.1 | 24.5 | 26.8 | 30.2 | 33.6 |
| k | max | 2.5 | 3 | 3.5 | 4.5 | 5 | 6 | 7 | 8 | 9 | 10 |
| min | 2.2 | 2.7 | 3.2 | 4.2 | 4.7 | 5.7 | 6.7 | 7.7 | 8.7 | 9.7 | |
| L2 | ±0.3 | L+7.5 | L+9 | L+10 | L+11.5 | L+14.5 | L+16 | L+19 | L+20.5 | L+22.5 | L+24.5 |
| L3 | L+5 | L+6 | L+7 | L+7.5 | L+9 | L+10 | L+12 | L+13 | L+14.5 | L+15 | |
| r | max | 0.4 | 0.5 | 0.7 | 0.7 | 0.8 | 0.9 | 1.1 | 1.1 | 1.3 | 1.3 |
| min | 0.2 | 0.3 | 0.5 | 0.5 | 0.6 | 0.6 | 0.8 | 0.8 | 1 | 1 | |
| s | max=nominal size | 7 | 8 | 10 | 13 | 17 | 19 | 22 | 24 | 27 | 30 |
| min | 6.85 | 7.85 | 9.78 | 12.73 | 16.73 | 18.67 | 21.67 | 23.67 | 26.67 | 29.67 | |
Technical Data provided by Fastener Planet
